Назад в каталог Заказать строительство
Дом с мансардой до 196м2
от3 950 000 ₽
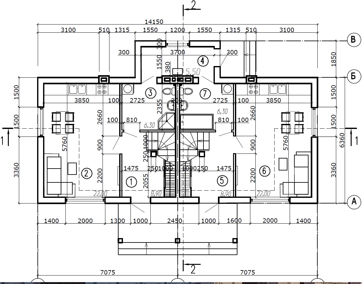
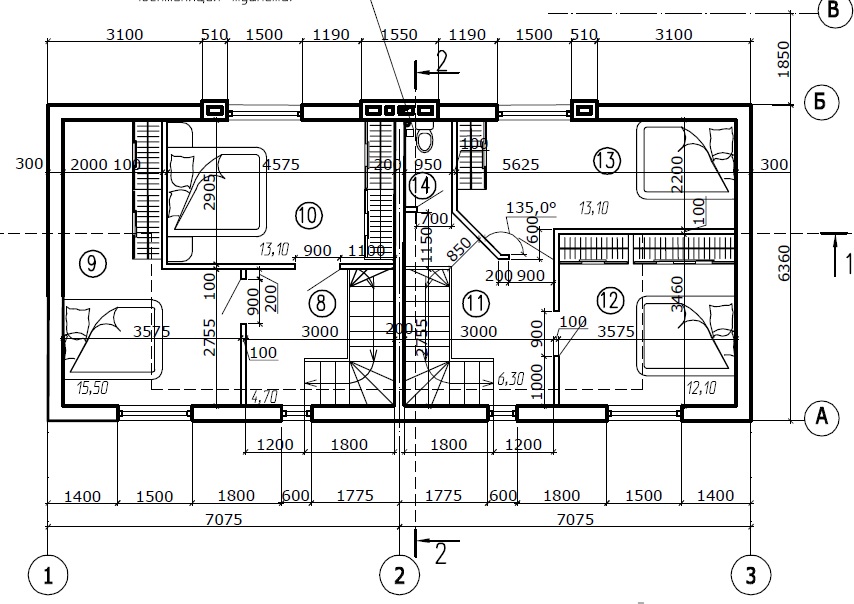
Перед вами классический дуплекс — дом на два хозяина с зеркальной планировкой. На фото запечатлен этап возведения «коробки» и монтажа кровли, что позволяет наглядно оценить высокое качество кладки и соблюдение всех строительных норм. Этот проект идеален для больших семей разных поколений (например, родители и взрослые дети) или для инвестиций, где одну половину можно сдавать, а во второй жить самому.
Площадь
196 м²
Комнат
8
Этажей
2
Стены
Газосиликатный блок (300х200х600 мм)
Конструктив
ФундаментМонолитный железобетонный ленточный (бетон марки М250).
СтеныГазосиликатный блок (300х200х600 мм)
КровляКровля металлочерепица европейского качества
Что входит в проект
Фундамент Монолитный железобетонный ленточный (бетон марки М250)
Монолитная ЖБ плита (М250)
Наружные стены: Газосиликатный блок (300х200х600 мм)
Перемычки: Только монолитные решения над окнами и дверями для предотвращения трещин.
Дымоходы: Капитальная кладка из полнотелого керамического кирпича М200.
Перекрытия: классические деревянные балки (150х200 мм) или монолитное перекрытие
Кровля металлочерепица европейского качества
Инженерные вводы
